Please choose your delivery location

The selection of the country/region page can influence various factors such as price, shipping options and product availability.

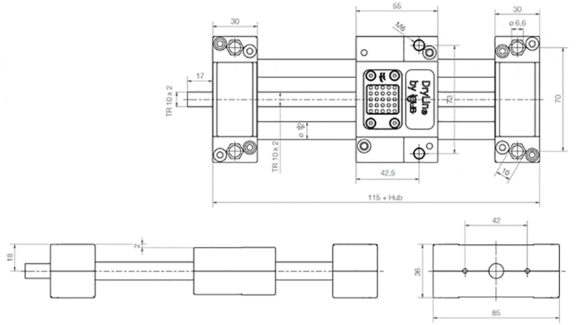
SHTP-FF lift table with quick release

SHTP lift tables with quick-release mechanism offer a combination of precise positioning and rapid adjustment by hand.

lighter solid polymer model

For fast format adjustments

Brake by interlocking included

Freely selectable stroke lengths

Recommended only for horizontal applications

Max. stat. axial load 200 N

Max. dyn. axial load 50 N

SHTP-FF

Fitting for this articles:


Part. No. A Al H E1 E2 E3 l R f lt tk ts kt
  -0,3 -0,3   ±0,15 ±0,15 ±0,15 [mm] [mm] [mm] ±0,1 ±0,1    
ready for shipping in 3-4 working days from stock Germany SHTP-01-12-AWM-FF (1) 85 55 36 70 73 42.5 115 42 2 30 10 6.6 0
More about selected part:
3D-CAD 3D-CAD
Sample request Sample request
PDF PDF
Quote request Quote request
myCatalog myCatalog

(1) Liners and trapezoidal leadscrew nut made of iglidur® J

Part. No. sg d T l2 d2* ha Max.
stroke length
Weight Weight additional

   
          standard   [mm] [kg] per 100 mm    
ready for shipping in 3-4 working days from stock Germany SHTP-01-12-AWM-FF (1) M6 12 17 TR10x2 18 500 0.35 0.11 Upon request Add to shopping cart
More about selected part:
3D-CAD 3D-CAD
Sample request Sample request
PDF PDF
Quote request Quote request
myCatalog myCatalog

(1) Liners and trapezoidal leadscrew nut made of iglidur® J

More information:


Fitting for this articles:

ready for shipping in 24-48 hours from stock Germany drylin® E - product overview

The consistant development of the toolbox and system concept of the lubrication-free drylin® drive technology.

ready for shipping in 24-48 hours from stock Germany
ready for shipping in 3-4 working days from stock Germany

The terms "Apiro", "AutoChain", "CFRIP", "chainflex", "chainge", "chains for cranes", "ConProtect", "cradle-chain", "CTD", "drygear", "drylin", "dryspin", "dry-tech", "dryway", "easy chain", "e-chain", "e-chain systems", "e-ketten", "e-kettensysteme", "e-loop", "energy chain", "energy chain systems", "enjoyneering", "e-skin", "e-spool", "fixflex", "flizz", "i.Cee", "ibow", "igear", "iglidur", "igubal", "igumid", "igus", "igus improves what moves", "igus:bike", "igusGO", "igutex", "iguverse", "iguversum", "kineKIT", "kopla", "manus", "motion plastics", "motion polymers", "motionary", "plastics for longer life", "print2mold", "Rawbot", "RBTX", "RCYL", "readycable", "readychain", "ReBeL", "ReCyycle", "reguse", "robolink", "Rohbot", "savfe", "speedigus", "superwise", "take the dryway", "tribofilament", "tribotape", "triflex", "twisterchain", "when it moves, igus improves", "xirodur", "xiros" and "yes" are legally protected trademarks of the igus® SE & Co. KG/ Cologne in the Federal Republic of Germany and where applicable in some foreign countries. This is a non-exhaustive list of trademarks (e.g. pending trademark applications or registered trademarks) of igus SE & Co. KG or affiliated companies of igus in Germany, the European Union, the USA and/or other countries or jurisdictions.

igus® SE & Co. KG points out that it does not sell any products of the companies Allen Bradley, B&R, Baumüller, Beckhoff, Lahr, Control Techniques, Danaher Motion, ELAU, FAGOR, FANUC, Festo, Heidenhain, Jetter, Lenze, LinMot, LTi DRiVES, Mitsubishi, NUM,Parker, Bosch Rexroth, SEW, Siemens, Stöber and all other drive manufacturers mention on this website. The products offered by igus® are those of igus® SE & Co. KG